Decidí hacer este breve instructivo con el fin de ilustrar a los iniciados en las artes del ensamblaje de equipos electrónicos, en especial a aquellos que comienzan con cosas de potencia, como fuentes de poder y, con muchos amperios a bordo.
Foros de Electrónica, por ejemplo, está lleno de hilos con montones de preguntas acerca de estos detalles y, por cierto, voy a tomar cosas de uno de esos hilos para mostrar aquello que "No se debería hacer". Para los curiosos, pueden ver el hilo en:
Fuente con lm317 en paralelo
Sólo voy a usar una foto publicada por "anthony123", que la muestra al foro después de su exitoso ensamblaje
La observación debe centrarse, precisamente, sobre el banco de elementos de potencia, constituido, en este caso, por 4 ICs LM317 en paralelo. Cómo pueden ver, los ICs están conectados entres si mediante una especie de BUS de alambres y, la entrada Vin y la salida Vout, a su vez, están conectadas mediante los dos cables rojos, que vienen y van a la placa base.
Podrán darse cuenta que, la longitud de los alambres del par central de ICs (vamos a numerarlos 2 y 3, respectivamente) es menor que la longitud de los que alcanzan a los ICs de los extremos ( 1 y 4 ). Imagino que el cable "azul", que se ve a la derecha, será para conectar los pines #1 de los ICs (ADJ).
Si, por estos cables y alambres no circulasen corriente elevadas, no habría problema alguno en ser así pero, resulta que, por esos alambres, circulan corrientes de cierto peso y, como resulta ser que la resistencia cero no existe, las diferencias de resistencia entre los distintos puntos, produce ciertos problemas de estabilidad en la regulación y/o calentamiento disparejo entre los ICs conectados.
El propósito de este instructivo es, precisamente, el de ayudar a evitar esas diferencias y convertir sus fuentes de poder en unas herramientas más eficientes, reduciendo lo más posible las pérdidas que ya son suficientemente altas, por ser estas fuentes del tipo lineal con regulación en serie.
Se utilizó el siguiente esquema de una fuente de poder con 3 LM317 en paralelo:

Clic para ampliar
Quien originó el hilo "Jona" propuso e siguiente diagrama:
Y el siguiente PCB
Cómo pueden darse cuenta, Anthony123, siguió las indicaciones de este dibujo para construir el bus que aparece en la fotografía.
Ahora bien, para comenzar a mejorar las cosas, se ha dividido el diagrama esquemático en dos secciones: Fuente de poder básica y control, y potencia.
Circuito 1:

Clic para ampliar
Circuito 2:
Con estos circuitos se han generado dos PCBs: PCB-1 y PCB-2 (Ver el diagrama de cableado al final), los cuales se han utilizado en la siguiente imagen, para generar un diagrama de cableado y mostrar en él algunas de las recomendaciones.
Sólo la placa PCB-1 es relativamente necesaria. En el diseño de la misma se han utilizado criterios derivados de la experiencia en la construcción de equipos de potencia y de ninguna manera se exige seguir sus formas. Sólo deberá observarse que el ancho de las pistas de la fuente primaria es de dimensiones considerables que, algunas veces, tampoco es suficiente para el manejo de cargas importantes y, en algunos casos será necesario construirlas con placas base especiales, sobre-dimensionadas con cobre de 70 µm y más (Las placas comunes vienen con cobre de 35 µm y 17,5 µm). Cuando esto aún no es suficiente, se procede a cubrir las pistas con estaño y/o soldarles un alambre grueso en paralelo, a fin de reducir la resistencia y mejorar la conductividad de las mismas.
Como podrán ver, las donas (ojales) para anclar los cables que van a los elementos de potencia (ICs, Transistores, etc,...), se agrupan en nodos muy juntos. Los cables deberán ser de calibre suficiente para manejar el doble de la corriente máxima que va a circular por ellos y, deberán ser de la misma longitud y mantenerse la distancia de las conexiones lo más reducida posible. Se deben identificar muy bien los cables que van a manejar corrientes elevadas y tomar las consideraciones respectivas.
La placa PCB-2 no es necesaria, aunque se puede utilizar. Sin embargo, debido a la reducida cantidad de componentes, éstos se pueden ensamblar directamente conectados a los pines de los elementos de potencia (ICs en este caso) y los cables, conducidos a los nodos de PCB-1, según corresponda.
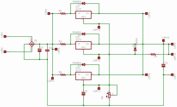
La gran mayoría utiliza resistencias de nivelado (R2, R3, R4) conectadas a las salidas de los elementos de potencia, sin embargo, es de la consideración particular del autor colocarlas a las entradas pues esto, nivelaría las diferencias de todo el elemento de potencia.
La resistencia R1, en el primer esquema, es el elemento básico para la regulación y protección del IC y debe conectarse directamente al borne positivo de salida (Via LSP14) pues, de otra forma, la estabilidad del voltaje resultará ser precaria.
Estas recomendaciones son útiles para cualquier circuito de potencia. Seguirlas tendrá como resultado equipos más duraderos y confiables.
Espero, como siempre, que estas indicaciones sean de utilidad y que contribuyan al éxito de sus experimentos.
Mario Carnelutti R. (mcrven)
Actualización: Desarrollo práctico
Anthony123 nos muestra el proceso constructivo de su fuente:



Foros de Electrónica, por ejemplo, está lleno de hilos con montones de preguntas acerca de estos detalles y, por cierto, voy a tomar cosas de uno de esos hilos para mostrar aquello que "No se debería hacer". Para los curiosos, pueden ver el hilo en:
Fuente con lm317 en paralelo
Sólo voy a usar una foto publicada por "anthony123", que la muestra al foro después de su exitoso ensamblaje
La observación debe centrarse, precisamente, sobre el banco de elementos de potencia, constituido, en este caso, por 4 ICs LM317 en paralelo. Cómo pueden ver, los ICs están conectados entres si mediante una especie de BUS de alambres y, la entrada Vin y la salida Vout, a su vez, están conectadas mediante los dos cables rojos, que vienen y van a la placa base.
Podrán darse cuenta que, la longitud de los alambres del par central de ICs (vamos a numerarlos 2 y 3, respectivamente) es menor que la longitud de los que alcanzan a los ICs de los extremos ( 1 y 4 ). Imagino que el cable "azul", que se ve a la derecha, será para conectar los pines #1 de los ICs (ADJ).
Si, por estos cables y alambres no circulasen corriente elevadas, no habría problema alguno en ser así pero, resulta que, por esos alambres, circulan corrientes de cierto peso y, como resulta ser que la resistencia cero no existe, las diferencias de resistencia entre los distintos puntos, produce ciertos problemas de estabilidad en la regulación y/o calentamiento disparejo entre los ICs conectados.
El propósito de este instructivo es, precisamente, el de ayudar a evitar esas diferencias y convertir sus fuentes de poder en unas herramientas más eficientes, reduciendo lo más posible las pérdidas que ya son suficientemente altas, por ser estas fuentes del tipo lineal con regulación en serie.
Se utilizó el siguiente esquema de una fuente de poder con 3 LM317 en paralelo:

Clic para ampliar
Quien originó el hilo "Jona" propuso e siguiente diagrama:
Y el siguiente PCB
Cómo pueden darse cuenta, Anthony123, siguió las indicaciones de este dibujo para construir el bus que aparece en la fotografía.
Ahora bien, para comenzar a mejorar las cosas, se ha dividido el diagrama esquemático en dos secciones: Fuente de poder básica y control, y potencia.
Circuito 1:

Clic para ampliar
Circuito 2:
Con estos circuitos se han generado dos PCBs: PCB-1 y PCB-2 (Ver el diagrama de cableado al final), los cuales se han utilizado en la siguiente imagen, para generar un diagrama de cableado y mostrar en él algunas de las recomendaciones.
Sólo la placa PCB-1 es relativamente necesaria. En el diseño de la misma se han utilizado criterios derivados de la experiencia en la construcción de equipos de potencia y de ninguna manera se exige seguir sus formas. Sólo deberá observarse que el ancho de las pistas de la fuente primaria es de dimensiones considerables que, algunas veces, tampoco es suficiente para el manejo de cargas importantes y, en algunos casos será necesario construirlas con placas base especiales, sobre-dimensionadas con cobre de 70 µm y más (Las placas comunes vienen con cobre de 35 µm y 17,5 µm). Cuando esto aún no es suficiente, se procede a cubrir las pistas con estaño y/o soldarles un alambre grueso en paralelo, a fin de reducir la resistencia y mejorar la conductividad de las mismas.
Como podrán ver, las donas (ojales) para anclar los cables que van a los elementos de potencia (ICs, Transistores, etc,...), se agrupan en nodos muy juntos. Los cables deberán ser de calibre suficiente para manejar el doble de la corriente máxima que va a circular por ellos y, deberán ser de la misma longitud y mantenerse la distancia de las conexiones lo más reducida posible. Se deben identificar muy bien los cables que van a manejar corrientes elevadas y tomar las consideraciones respectivas.
La placa PCB-2 no es necesaria, aunque se puede utilizar. Sin embargo, debido a la reducida cantidad de componentes, éstos se pueden ensamblar directamente conectados a los pines de los elementos de potencia (ICs en este caso) y los cables, conducidos a los nodos de PCB-1, según corresponda.
La gran mayoría utiliza resistencias de nivelado (R2, R3, R4) conectadas a las salidas de los elementos de potencia, sin embargo, es de la consideración particular del autor colocarlas a las entradas pues esto, nivelaría las diferencias de todo el elemento de potencia.
La resistencia R1, en el primer esquema, es el elemento básico para la regulación y protección del IC y debe conectarse directamente al borne positivo de salida (Via LSP14) pues, de otra forma, la estabilidad del voltaje resultará ser precaria.
Estas recomendaciones son útiles para cualquier circuito de potencia. Seguirlas tendrá como resultado equipos más duraderos y confiables.
Espero, como siempre, que estas indicaciones sean de utilidad y que contribuyan al éxito de sus experimentos.
Mario Carnelutti R. (mcrven)
Actualización: Desarrollo práctico
Anthony123 nos muestra el proceso constructivo de su fuente:


