Banner publicitario de PCBWay

Reparar y mejorar inversor chino 12VDC / 230VAC - 500W Onda Pura Senoidal

Compré este inversor [/SIZE]para jugar y ver que sistema tenían para construir una onda senoidal pura eficientemente.
30svb04.jpg



Funciona con una fuente conmutada de 12 VDC a 400 VDC y a partir de aquí por medio de una placa controladora SPWM (
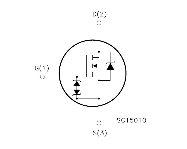
EGS002) y 4 mosfet canal N (K15A50D) modulan la senoide
2a0aku9.jpg

  • Input voltage: DC 10.5v-15V​
  • Output voltage: 210-240V​
  • Continuous Power: 400W-500W(700 watt Continuous work 1 minutes)
  • Peak Power: 1200W​
  • Frequency: 50HZ ±1%
  • [/COLOR]​
  • Output Wave Form: Pure Sine Wave

    [*]
    Fuse:40AX2​
    [*]
    Transfer efficiency:
    85%
  • Low Voltage Input Protection​
  • High Voltage Output Protection​
  • Thermal Protection​
  • Short Circuit Protection​
  • Output Overloading Protection​
Y funciona bastante bien, la señal en el osciloscopio es perfectamente senoidal aun con carga, y motores como bomba de agua y ventilador sin ruidos raros y funcionando a su velocidad normal.

El problema es que probandolo con algo mas potente como un microondas funciono bien pero al probarlo otro día quemo un mosfet (supongo que por tensión inversa debido a la inductancia) lo reemplace y me ha vuelto a fallar con cargas inductivas, esta vez se llevo para delante también la placa controladora.

Después de esto pregunte y me recomendaron cambiar los mosfet por otros mas potentes y en otro encapsulado, así que compré 4 STW26NM50 (este me recomendaron) y nada mas arrancar sin carga se cargo la nueva placa controladora (que estaba funcionando bien con los mosfet suyos).

¿Por que pasa esto? ¿Culpa del diodo zener interno de estos mosfet? ¿Que mosfet mas potente que el original me podría valer?

Gracias

PD: Este es el esquema que he hecho con lo que he visto y queria ponerle esa "especie de rectificador" con diodos rápidos para que no se me vayan los mosfet aun con carga fuertemente inductivas, pero como me recomendaron los otros mosfet mas potente y que incluyen ya diodos para ese objetivo...
311ludg.gif


 
¿ Verificaste la distribución de patas de los nuevos MOSFET antes de probar ?


Tu convertidor dice 400/500W ¿ Que consumo indica el microondas ?
 
Sobre 700W y si claro que comprobé la distribución de patas coinciden, la cosa es que estos no funcionan ni en vacío, queman la controladora.

El lio que tengo es con los STW26NM50 en algunos datasheet aparecen esos zener entre Gate y Source en otros no :confused:
201182822211609.jpg

Por si acaso también digo que NO ha sido por el aislamiento del encapsulado pues en la prueba ni siquiera me ha dado tiempo a montarle el disipador (y no se ha calentado nada)
 
Hola a todos ,en los hornos de microondas mas comunes ( no hablo de los modelos mas modernos enbasados en fuentes conmutada)su transformador de alta tensión trabaja en modo saturado y eso es hecho propositalmente para lograr una mejor regulación de la alta tensión "economicamente" , pero desafortunadamente la curriente consumida en lo primario es elevada debido a esa saturación ya aclarada intencional ,asi seguramente fue ese lo problema que dañou lo inversor.
Ademas como aclarado ese inversor es "Chino" y como todos sapen equipos "Chinos" son baratitos pero la qualidad ..........generalmente es lastimable, No hay como tener un bueno almoço sin plata suficiente (diñero), jajajajajajajaja.
!Fuerte abrazo!
att.

Daniel Lopes.
 
Última edición:
Si pero el microondas olvidemoslo no tiene nada que ver, ya estaba funcionando de nuevo, la cosa es que no funciona con los STW26NM50 se quema en vacío la placa controladora y con K15A50D funciona perfectamente ¿en que se diferencian?, quiero ponerle unos mas potente a los K15A50D que funcionen bien :rolleyes:
 
hola a todos!

Jeronimo 17: la verdad es que observando las hojas de datos vemos que estos MOSFET se diferencian en algunos detalles, como la protección del GATE, la capacitancia de GATE y la resistencia de equivalente en conducción RDSon.

Mi opinión es que la parte crítica está en el circuito de disparo de tu tarjeta porque dices que se quema aún en vacío.
Puedes indicarnos cuál MOSFET que se quemó? TOP (de encima junto al lado +) o BOTTOM (de abajo junto al lado -).
Puedes descubrir el modelo de circuito DRIVE de los MOSFET TOP para buscar la hoja de datos?
Así podríamos analizar cómo está hecho el disparo y si es necesario agregar o modificar algún componente, como el resistor de GATE, o descubrir si esos zener afectan el disparo.
 
Última edición:
Hola a todos , yo de plenissimo acuerdo con Don metalmetropolis : una parte critica de una fuente conmutada es lo correcto diseño del Driver. Aclaro eso por tener tido recentemente muchas dolores de cabeza con una fuente conmutada de 480Wattios en configuración mea puente donde los MosFets esplotavan mui facilmente y eso aparentente sin una causa que esplicasse ese efecto totalmente indesejable. Despues de mucha "luta" fue descoberto lo problema : un Driver malo diseñado acarretando por un atmo la condución (acionamento) equivocada de los MosFets simultaneamente asi curtocircuitando la parte DC de la fuente (quasi 360Vcc) , descargando instantaneamente los dos capacitores de 1000uF X 250Voltios en serie por els ( los MosFets).
!Fuerte abrazoz!
Att.

Daniel Lopes.
 
Última edición:
Gracias por escribir a ambos, he estado probando sin placa controladora y pasa algo raro, así que descartamos que sea cosa de la placa de disparo.

Estoy metiendole 220 V continua sin condensador y una resistencia de 1 ohm atraves de 2 transformadores de [220V-12V] [12V-220V] -50W que suelo usar para limitar y probar cosas chicas a 220V y un puente rectificador

Si dejo las patas de Gate sin conectar a nada tan solo con las resistencias de 10K que aparecen en el diagrama de arriba parece que no hay corto, si intento activar manualmente el puente H activando 2 transistores (poniendo a - los Gate de lo 2 que no uso y a +12V con otra fuente los Gate de los que quiero activar) en cruz no lo consigo, hay corto y se calientan un poquito (y tampoco es que este activando la pareja que no son ^^)

Otra cosa que no entiendo es en los datasheet aparece "Gate to Source Voltage VGS ±20 V" en T3 y T4 se cumple pero en T1 y T2 es superado con creces cuando los Gate se ponen a masa (-) o +12V con respecto a masa
¿Puede venir de aquí el problema? estoy probando ahora con IRFP460 e igual que con STW26NM50 con los K15A50D no había problema :S y eso que en su datasheet pone "Gate-source voltage VGSS ±30 V"

2qtivl2.jpg
 
Última edición:
Caro geronimo17 para si cerriar los MosFets en cruz sin problemas ustedes tiene que enplear dos fuentes independentes cada una para su MosFet , quanto a un VGS( tensión entre Gate y Sourse) major que 20Voltios eso puede sener periculoso para ese MosFet dañado esa junción, asi un meo para evitar problemas es enplear un diodo zener de 15 o 18 Voltios en paralelo con Gate y Souse.
!Fuerte abrazo!
Att.

Daniel Lopes.
 
Si no se puede superar los VGS ±20 V en este caso si lo superaría ¿no? ¿Necesitaría entonces 2 mosfet canal P para el puente H y modificar el disparo para estos 2?

Saludos!!

http://i59.tinypic.com/2wq7m78.gif

Añado información del Driver:
http://i59.tinypic.com/16hkyrl.png

www.egmicro.com/download/EGS002_manual.pdf
Caro Don Jeronimo17 en realidad lo driver de los MosFet superior "T1 " o "T2" anda "volando" en relación a la tierra , eso es possible con auxilio de transformadores de pulso o mismo enpleando CIs especiales desahollados para esa enpreita , basta buscar por drivers de transistor MosFet en mea puente.
La fuente de 12 Voltios "ve" tiene su tierra "volando" y ese es conectado en realidad a lo Sourse de lo MosFet superior " T1" o "T2" y NO en lo tierra de la fuente de 400Voltios (Ve) o Sourse del MosFet inferior "T3" o "T4".
!Fuerte abrazo!
Att.

Daneil Lopes.
 
Última edición:
Gracias Daniel, ya voy entendiendo como va el Gate de los mosfet, en las pruebas he estropeado varios por eso, ahora tengo montado 4 buenos pero espero otra placa controladora...
 
Os cuento como sigue el tema, conseguí que funcionaran los IRFP460, (seguramente los estropeaba en las pruebas sin la placa controladora sin saber lo que hacia :D ).

El inversor me ha estado funcionado varios días de prueba (no en funcionamiento continuo y con una fuente regulable de max 2,5A), con una lampara fluorescente de 20W 220V con reactancia inductiva pero al final se ha vuelto a cortocircuitar un IRFP460 el T4.

No se ha quemado por sobre-intensidad ni calor (estaban a 20ºC todo el tiempo) debe ser por la tensión inductiva inversa, pero no entiendo ¿Estos mosfet no se supone que incluyen un diodo zener para evitar esto?

Se me ocurre ponerle en pararelo 4 diodos schottky (que se supone que son muy rápido y para esta utilidad) de 10A 600V ¿Creéis que esto me puede solucionar la falla de los mosfet con carga inductiva?

Me gustaría conseguir que el inversor no fallara con ninguna carga por debajo de la "potencia aparente ~500VA"

Gracias!
 
Última edición:
Hola nuevamente.

dices:
El inversor me ha estado funcionado varios días de prueba (no en funcionamiento continuo y con una fuente regulable de max 2,5A), con una lampara fluorescente de 20W 220V con reactancia inductiva pero al final se ha vuelto a cortocircuitar un IRFP460 el T4.

creo que aquí el problema es la carga.
no estoy seguro de que un inversor simple consiga alimentar lámpara fluorescente, tengo dudas con las corriente de pico (y tensiones de pico resultantes).
quizás esto mató tu transistor y habría que verificar con osciloscopio la forma de onda de corriente que demanda la lámpara.

intenta repetir las pruebas con otra carga más resistiva.
 
Hola a todos , con auxilio de un osciloscopio de preferenzia sin dudas un tipo digital yo recomendo medir lo VDS de los MosFet y averiguar si hay transientes estremamente rapidos(verdaderas agujas ) y de alta tensión potencialmente periculosos . caso haya la solución es enplear circuitos "snuber" o quízaz diodos zener de potenzia de modo clanpear eses transientes a niveles seguros para lo Mosfet.
!Fuerte abrazoz!
Att.
Daniel Lopes.
 
Última edición:
Osciloscopio tengo analógico, pero hasta que no me lleguen los repuesto no lo podré probar.

Esta vez le quiero añadir diodos schottky (STPSC1006D 600V 10A) como aquí en cada uno de los 4 mosfet:
2ryrij5.jpg


Creo que esta es la solución ya que ponen "No or negligible reverse recovery" ningún o despreciable tiempo de recuperación en comparación con el diodo parásito de los mosfet
"Reverse Recovery Time min-280ns typ-580ns max-1200ns"

Otro ejemplo que he encontrado:
2jab85h.jpg


Poca información encuentro respecto a esto, como si es suficiente con el diodo interno de los mosfet o hay que añadir otro externo...

Gracias de nuevo! Saludos
 
Mirá , se supone que si ya trean protección ya la traen , pero lo que sobra , nunca falta ;)

Ponele Drain-Source y también otros al Gate-Source
 
hola de nuevo.

Osciloscopio tengo analógico, pero hasta que no me lleguen los repuesto no lo podré probar.

puedes medir la corriente de tu lámpara fluorescente conectada a la red eléctrica?
no necesariamente conectada al inversor y de esta manera compruebas si hay picos considerables de corriente y tensión.
 
Bueno ahora he tenido tiempo y ya con las piezas le monte los 4 diodos schottky (STPSC1006D 600V 10A) y por ahora las pruebas perfectas parece que es la solución para no quemar los mosfet con cargas inductivas :)
 
Hola !

Me gustaria ver el esquemático de ese inversor. Podrias enviármelo ?
Ese inversor es senoidal puro ?
Me gustaria saber si alguien tiene un esquemático completo de un inversor senoidal puro con transformador de ferrita de 1kw.
 
Atrás
Arriba