Banner publicitario de PCBWay

Distorsion en la señal de audio

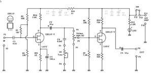
Hola gente tengo el siguiente circuito lo pongo con un poteciemetro de 10 k y satura. Que puede ser. Como que hace una distorsión. No sale limpia la señal. En la entrada tiene un micrófono de guitarra piezoelectrica de cuarzo.
 

Adjuntos

  • Circuit JFET Pre amp.jpg
    Circuit JFET Pre amp.jpg
    98 KB · Visitas: 47
Para ese pre sugieren utilizar una batería de 6 ~ 9V y el circuito debe ir montado en una cajita de Lata de hierro completamente cerrada y que todas las masas GND vaya conectadas distribuidas a lo ancho de la cajita. Las conexiones desde el micrófono al pre y desde el pre al amplificador final debe ser hechas con cable blindado de alta calidad. Ese amplificador es de muy alta ganancia, cualquier mosca que le pase cerca se escuchará directamente en el altavoz.

Si lo quisiera utilizar con fuente de poder, esta sección deberá contar con un filtrado muy fuerte.

La salida (Output) deberá ser conectada a una entrada de Línea o auxiliar ( AUX / Line IN ).
También le sugiero otras fuente de las cuales poder obtener modelos y diversas observaciones acerca de ese circuito.

FET Amplifier Circuits – Making Easy Circuits
 
Última edición:
El Gato Mayor tiene mucha razón, y es complejo a la hora de realizar estos montajes con blindaje y demás, fuera de ello hay que realizar mediciones y comparar parámetros si o si toca con osciloscopio, que a la final la distorsión es difícil de que no este presente.

Mas sin embargo comparto uno que un colega realizo en su Guitarra, eso si no va de maravilla pero cumple algunas expectativas, por si Don Chango o alguien le sea de utilidad.

PiezoPUpAmp.gif
 
? Y quetal poner un potenciometro de 1Mohmios entre lo captador piezoelectrico y la entrada dese previo a FET ?
Te esplico mejor , conecte lo captador piezoelectrico entre los terminales estremos del potenciometro y lo terminal central ustedes conecta en la entrada del previo a FET, puedes olvidar lo resistor"R1" de 3Mohmios del circuito en ese caso.
Asi ustedes ayusta lo volume a tu gusto SIN distorcionar lo sinal de audio en lo previo.
!Suerte en lo intento !
 
Atrás
Arriba