Banner publicitario de PCBWay

Panasonic Akx30

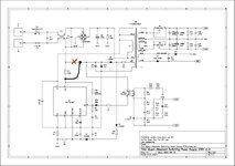
Hola muy buenas a los compañeros del foro me llamo la mucho el tema del hilo ya que yo siento mucha fascinación por las fuente de alimentación conmutada por lo que le eche un ojo al diagrama que se encuentra en el comentario 17, pero hay una errata muy grave que hay que tener en cuenta, se encuentra entre las conexiones de la alimentación auxiliar del STRX y el que el voltaje ya rectificado del bobinado auxiliar que debería llegar a el pin 4 ósea VCC, pero en el diagrama esta antes de la resistencia de arranque de 220K, quedando la fuente auxiliar expuesta al voltaje alterno de la red
Se me borro el comentario anterior

Muchas Gracias compañero, No había notado semejante error, Una disculpa.

Entonces como vez el resto del Diagrama. Yo creo que despues de ese error no hay otro detalle verdad?
 

Adjuntos

  • 1765019076521.png
    1765019076521.png
    35.1 KB · Visitas: 3
  • Quasi-Resonant Switching Power Supply STRX.pdf
    215.4 KB · Visitas: 1
Última edición:
Exelente idea. Voy a ir este fin de semana a ver si encuentro ese carrete, ya que donde lo compre no es precisamente un taller, hay nucleos por doquier.

Asi es. De alguna manera quisiera incursionar en fuentes conmutadas e ir aprendiendo poco a poco.
Se que no son del agrado de todos, pero a mi me fasina la idea de optener tantisimos Watts en algo tan ligero Vs un Trasnformador E&I o Toroirdal de 30kg.

Solo tengame paciencia.
Ayer me dio algo de inspiracion, este es el resultado del diseño preliminar.
Voy a fabricarlo de manera artesanal con un colega ya que no tengo tiempo o llego bien cansado del trabajo como para meterle al taladro;
Lo mandaria a JLCPCB para mejores acabados, pero en mi pais hay un tema con las aduanas, cobro de impuestos que esta fuera de control, mas si vienen de china....

Se que a muchos les va a gustar ya que muchas fuentes de panasonic se van al desguesadero, sin saber que hay potencial en ello....
tambien porque no hay muchas fuentes por ahi con STR-X para DIY

Saludos

P.D. Gracias por los consejos, fueron de mucha ayuda. Estoy seguro que a alguien le servira.
Exelente idea. Voy a ir este fin de semana a ver si encuentro ese carrete, ya que donde lo compre no es precisamente un taller, hay nucleos por doquier.

Asi es. De alguna manera quisiera incursionar en fuentes conmutadas e ir aprendiendo poco a poco.
Se que no son del agrado de todos, pero a mi me fasina la idea de optener tantisimos Watts en algo tan ligero Vs un Trasnformador E&I o Toroirdal de 30kg.

Solo tengame paciencia.
Ayer me dio algo de inspiracion, este es el resultado del diseño preliminar.
Voy a fabricarlo de manera artesanal con un colega ya que no tengo tiempo o llego bien cansado del trabajo como para meterle al taladro;
Lo mandaria a JLCPCB para mejores acabados, pero en mi pais hay un tema con las aduanas, cobro de impuestos que esta fuera de control, mas si vienen de china....

Se que a muchos les va a gustar ya que muchas fuentes de panasonic se van al desguesadero, sin saber que hay potencial en ello....
tambien porque no hay muchas fuentes por ahi con STR-X para DIY

Saludos

P.D. Gracias por los consejos, fueron de mucha ayuda. Estoy seguro que a alguien le servira.

Muchas Gracias Compañero No había notado semejante error....

Entonces deberia de quedara de esta forma?

Ver el archivo adjunto 334598
excelente
Muchas Gracias Compañero No había notado semejante error....

Entonces deberia de quedara de esta forma?

Ver el archivo adjunto 334598
De hecho aun esta incorrecto, pero ya te indico como debe ir en el diagrana
 

Adjuntos

  • Schematic.jpg
    Schematic.jpg
    95 KB · Visitas: 6
Última edición:
entonces deberia de omitir R2 de 220k y colocarlo directo al D2? Ver el archivo adjunto 334602
La resistencia de 220K es necesaria, solo debes cambiar las conexiones que vienen de la alimentación auxiliar de la parte de arriba de la resistencia a la parte de abajo, pero conservando la resistencia de 220K, o en pocas palabras conservas todas las conexiones tal cual esta en este ultimo diagrama y solo añades la resistencia de 220k
entonces deberia de omitir R2 de 220k y colocarlo directo al D2? Ver el archivo adjunto 334602
U optar de esta forma....Mas que nada para polarizar el Zener DZ1 de 24v

Ver el archivo adjunto 334603
entonces deberia de omitir R2 de 220k y colocarlo directo al D2? Ver el archivo adjunto 334602
U optar de esta forma....Mas que nada para polarizar el Zener DZ1 de 24v

Ver el archivo adjunto 334603
La resistencia de 220K es muy importante ya que cuando la fuente de conecta a la red eléctrica esta permite que se cargue lentamente el capacitor de 47UF hasta alcanzar un voltaje de 18 voltios DC lo cual permite que el STRX encienda y comience a oscilar
 
Última edición:
La resistencia de 220K es muy importante ya que cuando la fuente de conecta a la red eléctrica esta permite que se cargue lentamente el capacitor de 47UF hasta alcanzar un voltaje de 18 voltios DC lo cual permite que el STRX encienda y comience a oscilar
Exacto...

Empieza a tener sentido para mi.

Si no fuera porque notaste tremendo error hubiera volado en mil pedazos junto con el STRX jajaja.
Ahora a modificar el diseño que tenia echo. En cuanto este probada, lo subire en un nuevo hilo.

Tratare de que sea por lo menos en una sola capa y uno que otros Jumper para que puedan hacerlo caseramente. Le veo potencial. mas que nada porque tiene bastante potencia y seria mi primer fuente conmutada echa por mi cuenta.

Muchas gracias por tomarte el tiempo para darle un vistazo a altas horas de la noche. es muy valioso para mi tremendo gesto.
 

Adjuntos

  • Quasi-Resonant Switching Power Supply STRX Corregido.pdf
    215.6 KB · Visitas: 4
Atrás
Arriba