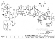
Acabo de poner la punta del osciloscopio en el jack hembra del bajo eléctrico, para ver si al escuchar el zumbido detecta alguna señal en DC que viene del pre al bajo. Y al parecer así es. Y ya veo que es al subirle mucho el volumen en el bajo y en el ampli llega un nivel donde le mete el zumbido y aparece la señal en el osciloscopio conectado en el jack hembra del bajo. Se supone que el capacitor C2 es para evitar que la DC pase al bajo ?. Pensé que estaba dañado y lo cambie por otro de misma capacidad 100nf. Y sigue pasando lo mismo.
Acabo de hacer otra prueba: Desconecte el jack del pre y lo deje solo conectado al amplificador, le subi al volumen y volvio aparecer corriente DC en el capacitor C2 en la pata que va hacia el jack y hacia la resitencia 12K R1. Luego desconecte la salida del pre al ampli. Y estando desconectado le subo volumen para replicar el problema y no pasa nada. Sera la resistencia R66 que le habia cambiado anteriormente por una de 27K para que diera mas ganancia que esta saturando ahora el ampli y regresando todo hacia el pre y del pre hacia el jack?? Que podrá ser?


Acabo de hacer otra prueba: Desconecte el jack del pre y lo deje solo conectado al amplificador, le subi al volumen y volvio aparecer corriente DC en el capacitor C2 en la pata que va hacia el jack y hacia la resitencia 12K R1. Luego desconecte la salida del pre al ampli. Y estando desconectado le subo volumen para replicar el problema y no pasa nada. Sera la resistencia R66 que le habia cambiado anteriormente por una de 27K para que diera mas ganancia que esta saturando ahora el ampli y regresando todo hacia el pre y del pre hacia el jack?? Que podrá ser?


Última edición:





