Puse un reemplazo del Q308 y pasa exactamente igual (todos los segmentos del vacuum fluorescent display VFD se mantienen encendidos con fuerte luz). Hay forma de probar o revisar exactamente qué está pasando?
La zona verde en las imágenes fueron medidas con osciloscopio y sí están las señales:
VFD_STB:
VFD_CLK: Cada varios segundos genera pulsos.
VFD_DD (VFD_RX): al presionar cualquier botón del control remoto (ejemplo VOL+, VOL-, HOME, POWER, etc) el osciloscopio detecta pulsos.
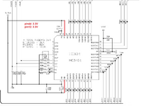
Adjunto puntualmente las áreas en mención y sus voltajes.
La zona verde en las imágenes fueron medidas con osciloscopio y sí están las señales:
VFD_STB:
VFD_CLK: Cada varios segundos genera pulsos.
VFD_DD (VFD_RX): al presionar cualquier botón del control remoto (ejemplo VOL+, VOL-, HOME, POWER, etc) el osciloscopio detecta pulsos.
Adjunto puntualmente las áreas en mención y sus voltajes.




