Banner publicitario de PCBWay

Regulador de velocidad para motor de lavadora

buenas!

Tengo un motor de una lavadora que se estropeo, quiero utilizarlo para otro fin, compre un regulador de velocidad en aliexpress con 6 pines. Dos pines son entrada AC 220v, otro tierra, tiene otros dos puenteados que son un terminal de salida y el que sobra se supone que es la otra salida. Parece que la conexion no es dificil, una entrada de 220v y una salida con la onda cortada que regula la velocidad.

El caso es que al conectarlo el motor no se mueve, no se si estoy pasando algo por alto o el regulador es defectuoso. dejo un video de como no funciona pero si conecto el motor directamente a 220v si funciona.

 

Adjuntos

  • 1603628024112_2.jpg
    1603628024112_2.jpg
    230 KB · Visitas: 27
Hola buenos dias desde Gijon -Asturias .
Para verificar si funciona tu varador de velocidad pon una carga de un portalamparas con una bombilla y regula la intensidad de luz de la bombilla y si varia la intensidad el regulador esta bien , saludos Juanje.
 
Si ves que no regula , verifica el triacs que lleva dentro , lo cambias y a funcionar , es probable que hayan cortocircuitado la carga y se cruzo y quemo el triacs , aqui te envio un esquema de un variador de potencia simple , saludos Juanje.
 

Adjuntos

  • Regulador_Potencia_basico_1.png
    Regulador_Potencia_basico_1.png
    28.4 KB · Visitas: 106
El triacs no se ceba y creo que esta abierto por hacer un cortocircuito sobre la carga , son muy baratos los triacs , no puedes reciclar alguno ?
 
Brother el motor se conecta al cable que trae el control en los colores rojo y blanco, debería tener un diagrama de conexión a un lado del control como este:

IMG_20201025_101331.jpg

Pero como dice fogonazo, si el motor es de inducción quizá no te funcione como esperas.
 
Viendo fotografías de quienes compraron el control (bendita filosofía de desarmarlo antes de conectarlo 👍) veo que la salida del triac esta en la conexión com y entre cc y ccw hay un capacitor de 12uf, entonces parece que sí está pensado para motores de inducción pequeños sin centrífugo para arranque y en los cables azules parece que se podría conectar un sensor de giro 🤯

IMG_20201025_115936.jpg
 
No chicos es un control de velocidad para motor de fase partida con capacitor y le estan conectando un motor universal con escobillas

Ademas esos cables azules no se conectan ahi

CW y CCW es un puente que se mueve para cambiar el sentido de giro

El motor se conecta a el cable que viene del controlador pero creo que no es compatible con ese motorCaptura de pantalla 2020-10-25 a la(s) 15.52.27.pngCaptura de pantalla 2020-10-25 a la(s) 15.54.42.png
 
Última edición:
No chicos es un control de velocidad para motor de fase partida con capacitor y le estan conectando un motor universal con escobillas
Muy cierto, cómo para los motores de lavadora donde el devanado de trabajo y arranque son iguales. En ese caso podría conectarse el motor universal a los cables rojo y verde del cable de salida dejando el puente entre com y ccw, o directamente en la tablilla de conexiones así:
IMG_20201025_115701.jpg
 
Hola Chicos !

Gracias por las respuestas, probando con una bombilla me funcionó de esta manera. Conecté la corriente AC a la parte de atrás del regulador. Y del cable que sale del regulador, los cables rojo y negro a la bombilla.

En el motor tengo tres cables de la bobina (común y dos direcciones) y las dos escobillas. Tengo puenteado el común con una escobilla, y para un funcionamiento normal aplico corriente alterna a una escobilla y a una de las direcciones.

Dicho esto he conectado el cable rojo y negro de la salida del regulador al motor, con el regulador al mínimo no se mueve, pero cuando voy subiendo llega un momento que arranca, pero la velocidad es muy superior a la que pretendo conseguir.

@capitanp cómo tienes conectado tu ese motor, regula a bajas revoluciones? Muchas gracias

La conexión que proponéis es ésta ?

1604668279252.png
 
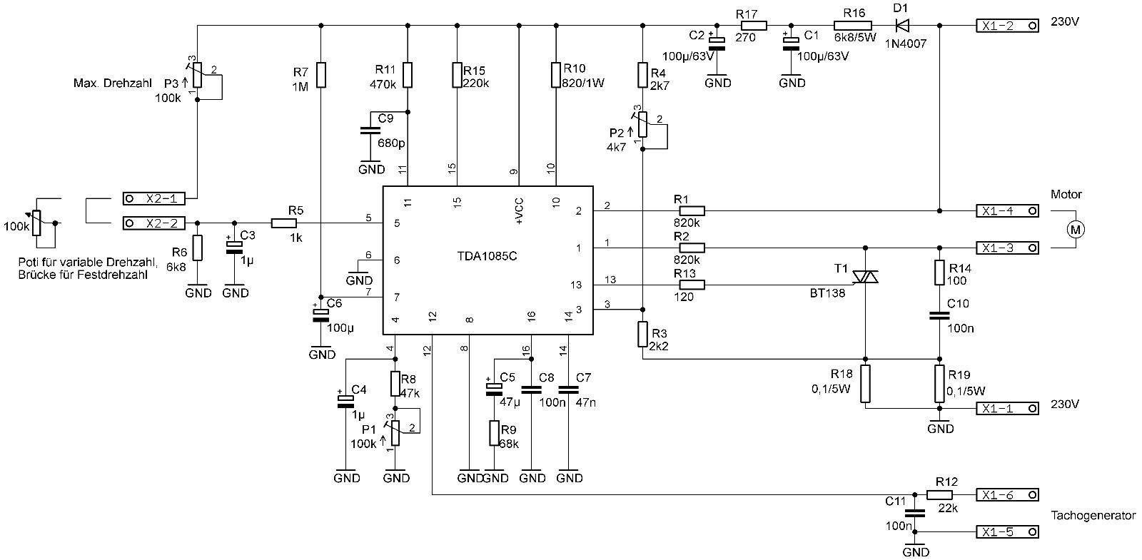
Para motores universales de lavarropas tenés que usar el TDA1085, si usas un dimmer se caen las rpm con la carga.

s-l1600.jpg
La otra es poner rotor y estator en paralelo y alimentearlo con corriente continua. Con 12 V empieza a girar y con 50 V ya estarías al límite de las rpm.

 
Puedes dejarme el enlace para comprar un regulador que me sirva para este motor, soy bastante novato en electrónica y me mareo al ver ese esquema, jejejejeje.
 
Buenas tardes.
Ya que está el tema, a ver si me podéis ayudar a mí.
Yo compré este regulador y tengo una soplante que me gustaría conectar a ese regulador y no sé cómo.
¿Me podéis dar algunas pautas para la conexión? Gracias.
Adjunto fotografías de los cables y los colores.

Conector del regulador de Aliexpress:
001.jpg
Cables de la soplante (la manguera que tiene 2 cables es el condensador )
002.jpg
La soplante
003.jpg
 
Por lo que veo es un motor de inducción monofásico de arranque por condensador. No esperes regular nada ahí.
Los motores de inducción solo se pueden regular con un variador de frecuencia. Los monofásicos no se sabe muy bien siquiera con eso si se puede...

Si hubieras consultado el foro antes de comprar, te habrías ahorrado el esfuerzo.

Eso es un regulador para motores universales, no es un regulador universal para motores.
 
Atrás
Arriba