Banner publicitario de PCBWay

Ventilador de techo por PWM

Hola comunidad, hoy me han traído un ventilador de techo, no dice la marca, de modelo CFL-1231-02, nuevo, recién instalado. Cuando terminaron de instalarlo, prende las luces pero el motor no. Funciona con una fuente aparte. Sospecho que trabaje mediante PWM. Ya que a cada salida tiene conectado un mosfet doble, del tipo P/N (TM4614A). Al intentar arrancar el ventilador simplemente se empuja hacia adelante un momento y listo. Si alguien sabe con exactitud la tecnología que usa y posee algún diagrama general o específico sería de ayuda. El motor es de 24V. Adjunto fotos. En la conexión del motor, del cable Rojo al Negro me da en corte (3.4 ohms) que desaparece cuando se mueve y sin valor al Blanco con respecto a los otros.
 

Adjuntos

  • 17610772861508434024711417474499.jpg
    17610772861508434024711417474499.jpg
    282.1 KB · Visitas: 17
  • 17610775452462354192128922976019.jpg
    17610775452462354192128922976019.jpg
    377.9 KB · Visitas: 17
  • 17610776896908342159016761887824.jpg
    17610776896908342159016761887824.jpg
    387.6 KB · Visitas: 16
Hola comunidad, hoy me han traído un ventilador de techo, no dice la marca, de modelo CFL-1231-02, nuevo, recién instalado. Cuando terminaron de instalarlo, prende las luces pero el motor no. Funciona con una fuente aparte. Sospecho que trabaje mediante PWM. Ya que a cada salida tiene conectado un mosfet doble, del tipo P/N (TM4614A). Al intentar arrancar el ventilador simplemente se empuja hacia adelante un momento y listo. Si alguien sabe con exactitud la tecnología que usa y posee algún diagrama general o específico sería de ayuda. El motor es de 24V. Adjunto fotos. En la conexión del motor, del cable Rojo al Negro me da en corte (3.4 ohms) que desaparece cuando se mueve y sin valor al Blanco con respecto a los otros.

Es un ventilador Crossio Model ATS-CFL-1231-02, es motor sin escobillas o DC Brushless Motor de frecuencia variable, denominados BLDC de 24 V a 33 W.

¿Tienes el control o la App para encenderlo? Bueno aquí abajo integro un manual de referencia o manual de usuario, para que descargues la App con el código QR.

Motor BLDC.jpg
 

Adjuntos

  • Ventilador Crossio.pdf
    1.9 MB · Visitas: 8
Última edición:
En la conexión del motor, del cable Rojo al Negro me da en corte (3.4 ohms) que desaparece cuando se mueve y sin valor al Blanco con respecto a los otros.

Buenos días a todos los colegas.
Pienso que es normal que exista continuidad en la medición entre los conductores que alimentan el devanado del motor, 3,4 Ohms no es un cortocircuito, teniendo en cuenta que se está midiendo el bobinado del motor que lo que más debe tener es inductancia más que resistencia.

Lo que quizás no es normal sería la falta de continuidad del otro conductor en relación a los dos que están midiendo los 3,4 Ohms, pues según mi razonamiento se debe de tratar de un devanado trifásico que ya sea que esté conectado en estrella "Y" o en delta "triángulo" tiene que haber continuidad entre sus conexiones.

La variación del valor de 3,4 Ohm en relación al movimiento, se debe al hecho de que estos motores utilizan iman permanente como inducido, que muchas veces se encuentran de forma estática "estator" aunque podría ser como rotor también, el hecho es que cuando se pone en movimiento las aspas del motor de forma manual, este se comporta como un generador que al corta las espiras del motor el flujo magnético que proviene del imán permanente ahora "inductor", induce una fuerza electromotriz "FEM" que es detectada por el instrumento de medición modificando su resultado final.

Ejemplos de este tipo de motores denominados sin escobillas son abundantes, desde los motores del cabrestante en las antiguas video caseteras pasando por los ventiladores de las fuentes de computadoras, hasta los usados en vehículos eléctricos como las denominadas "motorinas" eléctricas.

Solo acotar que en la mayoría de los motores antes mencionados se utilizan sensores de efecto Hall, para indicar al controlador de los transistores de conmutación, la posición del rotor del motor con relación al campo magnético inductor, para así realizar la conmutación de las fases del motor que corresponda y mantener un campo magnético giratorio tal y como ocurre de forma normal en un motor trifásico alimentado por corriente alterna trifásica, y en este circuito no se aprecia la conexión que correspondería a los sensores mencionados, pero bueno todo los días se ven cosas diferentes y nuevas en los diseños de la tecnología, lo que nos obliga a una contínua superación.
 
Hola comunidad, hoy me han traído un ventilador de techo, no dice la marca, de modelo CFL-1231-02, nuevo, recién instalado. Cuando terminaron de instalarlo, prende las luces pero el motor no. Funciona con una fuente aparte. Sospecho que trabaje mediante PWM. Ya que a cada salida tiene conectado un mosfet doble, del tipo P/N (TM4614A). Al intentar arrancar el ventilador simplemente se empuja hacia adelante un momento y listo. Si alguien sabe con exactitud la tecnología que usa y posee algún diagrama general o específico sería de ayuda. El motor es de 24V. Adjunto fotos. En la conexión del motor, del cable Rojo al Negro me da en corte (3.4 ohms) que desaparece cuando se mueve y sin valor al Blanco con respecto a los otros.
Creo que como dice Omar, deberia tener continuidad las bobinas restantes, ya que como sea que se nombre, es basicamente un motor trifasico.
Por que no llevaron el ventilador a la garantia directamente, ya que según estás diciendo, es nuevo y falló al momento de la instalación?
 
Creo que como dice Omar, deberia tener continuidad las bobinas restantes, ya que como sea que se nombre, es basicamente un motor trifasico.
Por que no llevaron el ventilador a la garantia directamente, ya que según estás diciendo, es nuevo y falló al momento de la instalación?
Al parecer, no lo probaron después de comprarlo. Y es de exportación, así que la garantía no es una opción.
 
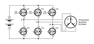
Encontré el diagrama básico de control de los motores BDLC, según esto, es motor esta abierto por el devanado de la salida del cable blanco.
 

Adjuntos

  • image-4.png
    image-4.png
    61.5 KB · Visitas: 8
Puedes ir un poco más lejos y desarmar la carcasa del motor para comprobar si se trata de algún empalme flojo que impide el correcto contacto del conductor que alimenta esa fase.
En motores monofásicos para ventilador se usa una especie de fusible térmico que suele dejar el circuito abierto cuando por alguna razón falla, y aunque no creo que esté sea el caso, lo que si es seguro es que hay un circuito abierto, y las posibilidades de un empalme defectuoso son muy grandes, pues tratándose de un artículo nuevo es lo más probable.
 
Atrás
Arriba