De momento lo tengo pausado liado con otras cosas y no encuentro los IC que necesito pedí unos en china pero todavía estoy esperando y en la tienda lo mismo, ya mirare ponerle los valores, pero ya te digo que lo tengo de revisar bien que no tenga fallos![]()
Hola compañero Bleny , gracias por compartir el diseño , como mencione hace ya un tiempo queria un sistema de este tipo luego que me dieran uno a reparar , y me sorprendió por lo sencillo , compacto , portatil el bajo consumo y calidad aceptable de sonido en su momento quise copiarlo pero por motivos de tiempo no pude , para la habitacion va exelente
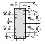
LA4192 de SANYO
KA2206B de SAMSUNG
TEA2025B de ST
Todos son IC muy comunes y creo que te pueden servir , según yo todos son compatibles pin a pin correjir me si me equivoco , en cuanto a calidad no creo que allá mucha diferencia , en sistemas 2.1 similares al que comentas e visto el TEA2025B , con una calidad de sonido aceptable , para el caso de el 4558 creo que puedes usar cualquiera que diga 4558 , para preamplificadores yo e usado el :
F4558
JRC4558
BA4558
KIA4558
Con un excelente resultado, claro tengo un oíd o inexperto pero para mi suena excelente con cualquiera de esos , creo que también puedes usar el TL082 o el TL072 , no se si es mi imaginación pero estos dos últimos suenan distinto suenan aun así son buenos creo que el TL082 es mejor en bajas frecuencias , saludos
Por cierto , para que es el tercer potenciómetro ? Los sistemas que e visto solo traen uno o dos, este es el que repare hace ya un tiempo y que me dejo con las ganas de hacer un proyecto como, este
Adjuntos
Última edición:

















