Banner publicitario de PCBWay

Relé no acaba de excitarse, con interruptor táctil

Hola.
Antes de nada, ya sé que me vais a decir que revise la placa. No va a ser eso... Os lo explico, pero quería dejarlo claro desde el principio, para que esperéis un poco a meteros con mi chapuza... :cry:

Comienzo. Me estoy intentando hacer un desoldador por vacío. El sistema no es complicado. Tengo una bomba de succión comprada en China, que me dá una pequeña presión suficiente, creo... :rolleyes: Funciona a 15 vdc aunque en los comentarios de la compra, ya decía más de uno que a 18 mejor. No me importa.

El montaje es relativamente sencillo. Básicamente, tengo el circuito cogiendo tensión de la red, que paso por un transformador acdc que me da 12vdc, reciclado (creo que de un viejo router), y que paso por un circuito que comienza en un regulador 7812 y luego, a través de dos transistores a un relé de dos puntos, para tener una luz verde cuando esté encendido sin conectar, y una roja con el motor funcionando.

Además, varío la corriente que le entra al motor a través de un "step-up" con un potenciómetro añadido por mí. Todo ello, con un panel voltímetro. Y ambos, step-up y voltímetro, comprados también en China... :angel:

Todo el circuíto, probado en Proteus primero (por partes porque la del motor, segundo punto del relé, tuve que hacerla a parte al no poder simular el step-up). Después, en protoboard. Y en protoboard, a las mil maravillas.

El problema que tengo es el siguiente. Resulta que como soy muy atrevido, el interruptor que utilizo para encender/apagar el motor, es táctil. Las pruebas, en protoboard, perfectas. Estupendas. Todo, al cien por cien... pero con los puntos de táctil muy cerca del circuito.
En el diseño, utilicé el cable que necesitaba para situar el interruptor táctil donde lo necesitaba. Un trozo de cable un poco largo, debo decir. Más o menos, un metro. Creo que es la razón por la que no funciona. Y estoy atascado...

He medido tensiones en entrada y salida del relé. Al intentar activar el circuito, parece que el relé no se excita. Pero tensión le llega bien. Al step-up, le llega también bien, cuando no uso cable largo. Además, el voltímetro que he puesto, lo he contectado a la entrada del transformador, antes del 7812, y veo que se me apaga al intentar arrancarlo. Como si el transformador no pudiera con la chicha que le pide el motor. Pero sin embargo, con el circuito en protoboard, iba estupéndamente... Eso sí... sin cable.

Después de toda esta explicación, ¿podéis darme alguna idea para pulirlo?
¿Debo cambiar el transformador que da chicha al circuito? Como digo, es el de un viejo router y aunque la salida indica los V correctamente, puede que no tenga fuerza suficiente para levantar el consumo del circuito (aunque no creo que sea eso...).
¿Algún otro modelo de darlington o del otro transistor npn?
¿Poniendo un condensador en paralelo con el motor, me daría el soporte suficiente para poder arrancarlo? Quizás sea el pico de arranque que no me llegue con lo que tengo...

Muchas gracias de antemeno.
 

Adjuntos

  • circuito.jpg
    circuito.jpg
    39 KB · Visitas: 96
Última edición:
Digamos, tratando de ser muy diplomático, que tu esquema no es de lo mas adecuado. :rolleyes:

Sin mayor análisis se me ocurre:
Conecta el relee entre +Vcc y colector de Q2
Emisor de Q2 a GND
R2 = 330Ω
C1 = 220pF

Prueba
 
hola cerbumota, bajo mi experiencia en desoldadores creo que te estas complicando un poco en su realización, te recomiendo usar la filosofía u.s.a. cuanto mas simple y eficiente mejor, "menos problemas a largo plazo"

lo primero, yo simplemente pondría un interruptor on/off y cuando esté a on prenda un led verde indicando presencia de tensión y cuando está a off led apagado, y luego pongo un pulsador que al pisarlo de tensión directa a la bomba cuando quiero que succione ,con esto me ahorro muchos componentes, rele, transistores, etc y circuito a implementar

lo segundo es.... para que quieres regular la velocidad de la bomba? si una vez que la estés usando, la tendrás siempre al máximo....yo he usado infinidad de ellas comerciales y solo dos o tres tenían regulación y para nada, porque creo que nunca se movió el pote de la posición MAX...ya te ahorras otro tanto de componentes y posibles futuras averías......

y por último para los compañeros que lean esto y tengan interés en fabricarse una pero aún no han comprado nada, les recomiendo comprar la bomba de repuesto en china de una estación como la 701 de ayoue que puedes pedirla a 110vac/230vac y te evitas usar transformadores y viene diseñada para ello ademas de ser barata...saludos
 
Última edición:
Jajajajaja... Te agradezco tu respuesta políticamente correcta. Pero me puedes decir con toda confianza, que soy un torpe. No me voy a enfadar. Lo sé y lo reconozco.
Sin embargo, un par de apuntes a tu recomendación.

En primer lugar, conectar el diodo (D3) y el relé (RL1) al positivo VCC (salida 3 de U1) me va a dar tensión para tener excitado siempre el relé... con lo que se jorobó tener el interruptor táctil porque va a pasar de mí como de la [Término innecesariamente grotesco cómo para un Foro Técnico]... (De hecho, y aunque me lo parecía, lo he probado. Así es... :eek: Motor siempre encendido.)
Y en segundo. Si subo R2 me va a dar igual, ya que el transistor Q2 no me va a servir nada. Pero si lo necesitara, es probable que no tuviera pulso necesario base-emisor para excitarlo para que fluya tensión entre colector-emisor, y activen el relé.
En segundo lugar, el circuito funciona. Montado en protoboard, sin problemas.

Seguro que no veo algo, y que estoy equivocado. Por otro lado, creo que el relé es el que falla. Es posible que al conectar el motor, la tensión caiga y no me dé para que se excite. Para medirlo, tendré que soltar toda la caja. Pero es lo único que se me ocurre que no tengo comprobado...

De todos modos, me sigue chocando que en protoboard me funcionara bien.


hola cerbumota, bajo mi experiencia en desoldadores creo que te estas complicando un poco en su realización, te recomiendo usar la filosofía u.s.a. cuanto mas simple y eficiente mejor, "menos problemas a largo plazo"

Porque ví el proyecto de Terrazocultor, igual al que comentas, me he metido en este berenjenal. Y como tiempo tengo, he ido investigando. Aprendo y me divierto. ¿Se puede pedir más.? :cool: Y he visto que un pulsador táctil, acoplado al mango del soldador, era chulo. No son componentes excesivamente caros... Un potenciómetro y un LM317 que ya tenía... De hecho, mucho más baratos que el pedal... :angel:
 
Última edición por un moderador:
Bueno, pues he mirado y hecho pruebas, y he encontrado lo siguiente.
Sin el motor conectado, funciona de maravilla. El relé cambia correctamente sin esfuerzo.
Con el motor, el relé no recibe la tensión suficiente para excitarse, y se queda "temblando", sin acabar de cambiar.
Medida la tensión que llega al relé, cuando no conecto el circuito de step-up + motor (con potenciómetor y voltímetro) era la adecuada que me suponía: más o menos 12 VDC. Pero al meter ese circuito, baja a 6 VDC. Creo que no debería, ya que no está en serie con la alimentación, supuestamente.
Aún asi, he puesto un relé de 6 VDC, y pasa lo mismo: parece que quiere cambiar, pero no puede.

Estoy cansado y miraré otro rato tensiones y demás que llegan. Pero empiezo a pensar que estoy perdido... No me rindo. Miraré por otro sitio, salvo que veáis muy claramente donde está el fallo.

Muchas gracias.
 
No me gusta nada el circuito . . .

Probá cambiar R1 de 100 kOhms a 4,7 kOhms.

Conectá dicha resistencia a los 15 V , antes del 7812.

O poné el emisor de Q2 a masa y la bobina del relé + díodo entre los 12 V y su colector.

8394-relay_example.gif
 
No me gusta nada el circuito . . .

Probá cambiar R1 de 100 kOhms a 4,7 kOhms.

Conectá dicha resistencia a los 15 V , antes del 7812.

O poné el emisor de Q2 a masa y la bobina del relé + díodo entre los 12 V y su colector.

http://static.yoreparo.com/imagenes/subidas/8394-relay_example.gif
Es la segunda vez que se me recomienda poner el relé entre la salida del 78 y el colector de Q2. Eso me va a dar tensión siempre en el relé. Y quedará siempre fijo y excitado, por lo que el interruptor e incluso el resto del circuito, quedará sin uso. ¿Qué estoy viendo erróneamente?
 
Te lo han dicho y ni siquiera lo haz probado :( (n)

No estás viendo que el relé recibirá positivo directo pero el transistor le dará o no negativo.
 
No. Lo he probado. En simulación en el ordenador. Y ha funcionado como te ñhe dicho. Relé siempre excitado. No has leído mi contestación anterior... donde decía lo mismo.
El Transistor no le da negativo porque el ya tiene línea de negativo...
 
Ay ay ay!!!! :facdpalm: los novatos y los simuladores!!!!! de terrorrrrrrrrr!!!! lo peor del nuevo siglo.......:cabezon:

Si no entendes como funciona un transistor, como pretende usarlo???
Hay que :estudiando: más
 
Última edición:
Ya estaba pensando en hacerla... No estoy en casa. En cuanto pueda, la subo.
Seguro que he conectado algo mal. Pero no lo veo... :cry:
De todos modos, el problema me parece que es el motor o el step-up. Sin ellos, el circuito va bien. El relé hace su función según use o no el interruptor tactil...
 
Cual es el sentido de poner un regulador como el LM317 luego de un step- up, ya que estos estabilizan la salida.
Cuanto consume tu motor??? de cuanto es la fuente conque alimentas el circuito???

Al parecer por lo que mencionas, el motor consume mucho y hace caer la tensión de la fuente principal, si la tensión a la entrada del 7812 baja por debajo de cierto nivel este deja de regular y entrega menos tensión, al menos para que funcione bien debe haber unos 15V si cae por debajo de eso todo lo que este tras el 7812 tendra problemas
 
Última edición:
hola, , si este tema es horroroso.

LO PRIMERO : cuando juntas varias csoas que funcionan de milagro es muy dificil que ese milagro se mantenga .

LO SEGUNDO : decis que el rele casi se excita, pero no llega, a pesar de que esa configuracion de transistires que pusiste es sumamente extraña te diria que , si quieres mantener el dibujo ese que pusiste al principio , y me parece raro / complicado, por que no haces asi:
1 -- te fijas si cuando todo se pone a andar la tensión de la fuente se cae al piso o no , me refiero a ANTES de el 7812 .
si se mantiene ok, pues listo, alimenta el rele con la +v de antes de el 7812 y listo ( me refiero a el colector de el transistor por esa configuración) .
si te anda, pues ponelo en una caja y llámalo "mi primer milagro" .

sino la otra es :
olvídate de ese circuito , fijate de describir en este foro QUE ES LO QUE PRETENDES HACER y haceles algo de caso a los consejos que te dan, que esa configuración para alimentar el rele con transistores es un asco.
y lo que te recomendaron es lo tradicional, pero el tema es TODO EL CONJUNTO.
 
Última edición:
Sugerencia , en vez de un Step Up fijo + LM317 para salida regulable , por que no un Step Up regulable directamente ? Que además consumiría menos corriente.
 
Hola.
Perdón por contestar tan tarde. No he podido hasta ahora y no por perder el interés, pero voy a ello. Estoy encantado con las contestaciones que me dáis. Es un placer leerlas para aprender, aunque veo que pensáis que sé menos electrónica de la que yo mismo pienso que sé. Es muy posible, ya que la ignorancia es muy atrevida.
Lo único que quiero recalcar, es que no me conocéis. Y no sabéis lo que he mirado antes de preguntar, ni aún lo que miré antes de meterme en este proyecto. Entiendo que la gente sea muy vaga y se líe a preguntar antes de investigar. No es mi caso. Pero no tenéis porqué creerme. Lo tendré que demostrar...

Ahí voy con las contestaciones. A ver si os convenzo.
Ay ay ay!!!! :facdpalm: los novatos y los simuladores!!!!! de terrorrrrrrrrr!!!! lo peor del nuevo siglo.......:cabezon:

Si no entendes como funciona un transistor, como pretende usarlo???
Hay que :estudiando: más
No entiendo vuestra aversión a los simuladores. ¿Para qué están? ¿Para incordiar a los novatos? Porque si alguien se molesta en hacer un simulador... ¡¡¡será para usarlo!!!
El simulador no lo hace todo. Cierto. Y es complicado encontrar todos los elementos en un simulador. He usado dos: Circuit Wizard y Proteus. Más el segundo, por tener una biblioteca más amplia. Y aunque he tenido problemas para encontrar todos los elementos, me las he ingeniado bastante bien. Por ejemplo. El transistor BC517 ha sido difícil de encontrar. Pero he buscado y he encontrado que quizás lo pudiera "cambiar" por dos transistores BC548B, conectador en serie para simular el darlington. Así en todo... Primero buscar, estudiar, y cuando me veo perdido, preguntar. ¿Te parece mal?
PD. Sé para que sirve un transistor. Quizás más la teoría que la práctica. Me quedo con la parte de que con pequeños incremetos de corriente emisor-base, conseguimos grandes incrementos emisor-colector. Por la poca tensión conseguida en el pulsador táctil, consigo por la función amplificadora del transistor, el incremento necesario para que el siguiente transistor pase tensión al relé. ¿Tan mal voy?

Cual es el sentido de poner un regulador como el LM317 luego de un step- up, ya que estos estabilizan la salida.
Cuanto consume tu motor??? de cuanto es la fuente conque alimentas el circuito???

Al parecer por lo que mencionas, el motor consume mucho y hace caer la tensión de la fuente principal, si la tensión a la entrada del 7812 baja por debajo de cierto nivel este deja de regular y entrega menos tensión, al menos para que funcione bien debe haber unos 15V si cae por debajo de eso todo lo que este tras el 7812 tendra problemas
La fuente es un transformador de un viejo router. 15VDC y 1A. Debería bastar... No cae la tensión por debajo de los 12 que necesita el 7812...
El regulador LM317 lo uso porque no puedo sacar el potenciómetro del step-up. O soy muy torpe, o el montaje chino es demasiado débil y me lo cargo. Tras un intento fallido con una tienda, donde compré dos, el primero se quemó y me jorobó el motor conectado a él, y el segundo se calentó tanto que desistí de usarlo, compré otra tanda. El primero, funcionó. Y pensé como dices, aprovechar su potenciómetro de 50K. Lo desoldé y utilicé otro igual, con borna. No funcionó. Lo estropeé al soltarlo. No sé como, porque el potenciómetro suelto funciona correctamente. Y poner el sustituto, no es tan difícil consultado sus datasheet para ver cómo van las patas...

hola, , si este tema es horroroso.

LO PRIMERO : cuando juntas varias csoas que funcionan de milagro es muy dificil que ese milagro se mantenga .

LO SEGUNDO : decis que el rele casi se excita, pero no llega, a pesar de que esa configuracion de transistires que pusiste es sumamente extraña te diria que , si quieres mantener el dibujo ese que pusiste al principio , y me parece raro / complicado, por que no haces asi:
1 -- te fijas si cuando todo se pone a andar la tensión de la fuente se cae al piso o no , me refiero a ANTES de el 7812 .
si se mantiene ok, pues listo, alimenta el rele con la +v de antes de el 7812 y listo ( me refiero a el colector de el transistor por esa configuración) .
si te anda, pues ponelo en una caja y llámalo "mi primer milagro" .

sino la otra es :
olvídate de ese circuito , fijate de describir en este foro QUE ES LO QUE PRETENDES HACER y haceles algo de caso a los consejos que te dan, que esa configuración para alimentar el rele con transistores es un asco.
y lo que te recomendaron es lo tradicional, pero el tema es TODO EL CONJUNTO.
He partido de un circuito que me fío, funcione. Lo saqué de un vídeo en YouTube, y me pareció riguroso. (Lo pongo debajo, para que lo critiques.) Y como quería darle un toque personal, que para eso me sirve aprender, quise ponerle dos luces: enchufado, y cuando esté en uso. Con el relé, se me ocurrió. Y modifiqué el circuito con el mío. Hice pruebas en simulador, y bien, sin tener el step-up. Monté el circuito en protoboard, y funcionaba perfectamente, con step-up. Pero los cables que hacen el terminal táctil, muy cortos... Al montarlo en su caja todo completo me encontré que no había contado con el metro y medio de cable. Modifiqué resistencias para conseguir tensión para el relé. Y casi. Pasé de que no se enterara el relé de nada, a que recibiera tensión muy justa para excitarse. Y ello me trajo a preguntar aquí...


Sugerencia , en vez de un Step Up fijo + LM317 para salida regulable , por que no un Step Up regulable directamente ? Que además consumiría menos corriente.
Como he contestado arriba, porque no conseguí sacar el potenciómetro del step-up. Y porque esperar otro mes y medio a que me llegue un control de velocidad para el motor, de China, que quita la paciencia. Porque tengo step-up de sobra para jugar...
Y ya contestando a tu pregunta del circuito que probé conectado el relé entre la salida del 7812 y del colector, y el emisor a tierra, me temo que no he conseguido repetir en simulación el asunto... Tan sólo consigo quemar el 7812, en simulación...
Estoy seguro que algo mal hago. Pongo también el esquema, por si no veo algo mal. Lo único es que en el circuito que ya tengo, me va a resultar complicado modificarlo. Tendría que hacer una placa nueva... Y tan cerca que me veo con la que tengo, me da mucha pereza.
Llámalo milagro. Yo lo llamo coger un ejemplo y modificarlo. Y sobre todo, para auto-aprender.
 

Adjuntos

  • Esquema origen.jpg
    Esquema origen.jpg
    39 KB · Visitas: 23
  • circuto modificado.jpg
    circuto modificado.jpg
    29 KB · Visitas: 21
Última edición:
No entiendo vuestra aversión a los simuladores. ¿Para qué están? ¿Para incordiar a los novatos? Porque si alguien se molesta en hacer un simulador... ¡¡¡será para usarlo!!!
PD. Sé para que sirve un transistor. Quizás más la teoría que la práctica. Me quedo con la parte de que con pequeños incremetos de corriente emisor-base, conseguimos grandes incrementos emisor-colector. Por la poca tensión conseguida en el pulsador táctil, consigo por la función amplificadora del transistor, el incremento necesario para que el siguiente transistor pase tensión al relé. ¿Tan mal voy?

La fuente es un transformador de un viejo router. 15VDC y 1A. Debería bastar... No cae la tensión por debajo de los 12 que necesita el 7812...

Solo como aclaración, debe haber siempre una diferencia de 2 voltios entre entrada y salida del LM7812 para que pueda regular, es decir si le pones a regular 12V, mínimo debe haber en la entrada 14V, si por A o B, la corriente consumida al final es mayor que la que otorga la fuente, la tensión de entrada caerá y por consiguiente la tensión regulada...

He partido de un circuito que me fío, funcione. Lo saqué de un vídeo en YouTube, y me pareció riguroso. (Lo pongo debajo, para que lo critiques.) Y como quería darle un toque personal, que para eso me sirve aprender, quise ponerle dos luces: enchufado, y cuando esté en uso. Con el relé, se me ocurrió.... Al montarlo en su caja todo completo me encontré que no había contado con el metro y medio de cable. Modifiqué resistencias para conseguir tensión para el relé. Y casi. Pasé de que no se enterara el relé de nada, a que recibiera tensión muy justa para excitarse. Y ello me trajo a preguntar aquí...


no me he tomado la molestia de ver el circuito del vídeo, de seguro funciona bien, el problema tuyo se dio al querer "PERSONALIZARLO"

Estoy seguro que algo mal hago. Pongo también el esquema, por si no veo algo mal. Lo único es que en el circuito que ya tengo, me va a resultar complicado modificarlo. Tendría que hacer una placa nueva... Y tan cerca que me veo con la que tengo, me da mucha pereza.
Llámalo milagro. Yo lo llamo coger un ejemplo y modificarlo. Y sobre todo, para auto-aprender.

Esto es simple... ensayo y error... si no lo realizas correctamente en un protoboard, tendrás que hacer muchas placas para lograr el resultado esperado...

Muy aparte de lo que sepas o lo que puedas entender y te explayes explicando lo que sabes y lo que no (sin ánimo de ofender)... y que un transistor para explicarlo de la manera mas fácil, se comporta como un switch.... en tu simulación, estas realizando un cortocircuito entre + y - a la salida del regulador, a través de E y C del BD243C... eso se ve a simple vista sin analizar mucho el circuito...

Deberías activar en el Livewire la opción explosiones (tools>simulation>explosions) para ver si realmente falla el esquema diseñado...

Para solucionarlo debes cambiar las conexiones del transistor y no colocarlo paralelo a la bobina del relé, sino en serie...

prueba y comentas luego...

Saludos...
 

Adjuntos

  • mot.png
    mot.png
    24 KB · Visitas: 14
Última edición:
No entiendo vuestra aversión a los simuladores. ¿Para qué están? ¿Para incordiar a los novatos? Porque si alguien se molesta en hacer un simulador... ¡¡¡será para usarlo!!!

En los simuladores las vacas vuelan ! Hay que saber bastante electrónica cómo para sacarles provecho. Me gusta mas Multisim

Y poner el sustituto, no es tan difícil consultado sus datasheet para ver cómo van las patas...

Mejor lo pones a la mitad del giro y mides , la mayor resistencia medida son los extremos , las otras dos sumadas darán ese valor , así encontrarás la pata del medio.

He partido de un circuito que me fío, funcione. Lo saqué de un vídeo en YouTube, y me pareció riguroso

¿ Y entonces por que te incribes en un Foro Técnico a consultar :confused: . . . deberías consultar allí en Youtube :aplauso: !

*******************************************

Finalmente veo que seguís poniendo la carga en el emisor de Q1 , eso es cómo querer levantar el automotor con el crique-gato arriba del techo.

Necesitás que la base supere al emisor unos Volts para que el transistor se sature y accione el relé con 12 V. OK. Si al relé le llegaran 12 V entonces el emisor estaría a 12 V y no tenés mas de 12 V para poner en la base ; pero además en Q1 caen 0,7V por juntura y tenés dos , así que solo le llegan a la base 10,5 V - Hay muchísimos mas detalles pero lo planteo así para que logres entenderlo.

Si Q1 tuviera el emisor a masa , entonces dispondrias de los 12 V para metérselos por la base y recontrasaturarlo ¿Capishe?

circuto re modificado.png
 
Última edición:
haceles caso.....
te habra funcionado a vos por separado pero no esta bien.

lo que te estan diciendo de transistores es basico en electrronica y es correcto como te lo dicen .
con 3 calculo es el rele
con 4 no se que es

imagino que el rele se activa solo cuando pulsas, no es un on-off con retencion ese esquema.

me pinta que Qi no haria falta, pero es cosa de probar ( con el darlington solo andaria, si se pone el rele en el colector de el Q2

R1 podes bajarla a 10 k sin problemas .

en fin, esto es lo que te dicen y es "emisor comun " por todos lados, es lo clasico para conmutar..
si no me equivoco .
 

Adjuntos

  • circuito 23.JPG
    circuito 23.JPG
    40 KB · Visitas: 15
Última edición:
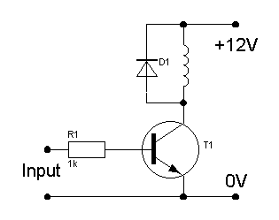
Sólo un apunte.
Fíjate que esquema queda si quitas R1 y Q2, es decir si anulas el circuito que "activa" el relé.
Te queda un relé, alimentado por un 7812, que siempre estará activado.
 
Atrás
Arriba