Banner publicitario de PCBWay

Amplificador 50W híbrido.

Buscando e encontrado este amplificador que a simple vista parece interesante.
Es sencillo y económico , dicen que puede dar 50w consumiendo entre dos y tres amperios . El operacional LF351 se puede cambiar por TL071. Aunque yo estaba pensando cambiarlo por un LM386 , aumentado considerablemente la respuesta .
Si encuentro tiempo lo armaré a modo experimental.

2md2vjm.jpg
 
Esta en lo cierto @Fogonazo es ese mismo económico y muy eficaz pero para cuando los amplificadores con IC estaban hasta ahora empezando a salir a flote, el Original y clásico es el OCL 50W de origen malayo.

@Kukulkan si se puede por un 741, TL071 o por un NE5534, con un LM386 no da buena respuesta.
 
:no: No guta que la salida tiene que amplificar corriente y ADEMÁS tensión :(

Hablo de R10 , R11 , R14 y R17
 
Última edición:
Es que si no lo hacés así no hay forma que el AO pueda llegar a la tensión de salida necesaria De todas formas estoy 100% de acuerdo con vos... no guta!
 
¿ No es este mismo ?

https://www.forosdeelectronica.com/posts/829502/


Menuda ordenación de Amplificadores de calidad que hay ahí...
Si , parece el mismo con un pre 741 y doble Tip de salida.
Lo que tambien parece es que al respetable no le gusta mucho. Creo yo , que por pasar el tiempo se puede armar y a ver que pasa.
wwgf84.jpg
 
Menuda ordenación de Amplificadores de calidad que hay ahí...
Si , parece el mismo con un pre 741 y doble Tip de salida.
Lo que tambien parece es que al respetable no le gusta mucho. Creo yo , que por pasar el tiempo se puede armar y a ver que pasa.
http://i39.tinypic.com/wwgf84.jpg


@Kukulkan si es muy respetable la opinión de cada persona(y), pero si lo arma no solo por pasar el rato, le va quedar gustando, porque estos amplificadores de antaño son los que dieron paso a muchas generaciónes de los amplificadores de hoy en día, cuando realmente uno quiere aprender aprende no con lo nuevo, popular o de moda, si no lo que dio su origen y así continuar a lo actual va entender mucho mas de lo que imagina, y comprenderá mucho mejor como funciona el mundo de audio de hoy en día.
 
Última edición:
Demasiado propenso a oscilaciones :unsure:
Y si... no tiene realimentación de Miller (aunque tiene una ganancia relativamente "alta"), así que en HF es un panorama "complicado". Habría que ver de aislar la etapa VAS de la de salida y tratar de cerrar un lazo de realimentación sobre esa etapa sola, aparte de la realimentación global, pero hay que hacer algunas cuentas y cambiar unos cuantos componentes...
No sé... es un diseño raro.... pero "no guta".
 
Última edición:
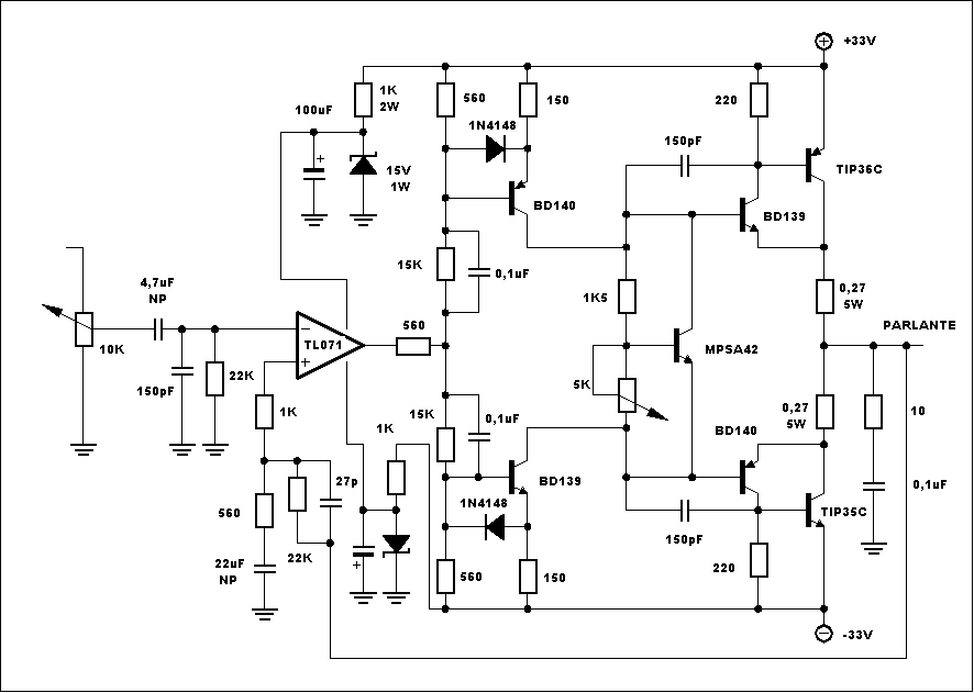
Yo armo éste:
pa50cirsch.GIF

y funciona muy bien. Si bien es similar en arquitectura, tiene un par de transistores más, haciendo trabajar el operacional más liviano.
Saludos C
 
Esto es evolución.
Del primer simple circuito a este otro , con ese grado de sofisticacion.
Veo que carece de las resistencias en la salida , que tan poco gustan a los compañeros y en su lugar hay un transistor.
Tengo una plaqueta experimental preparada para el primer circuito y estoy a la espera de recibir los LM741.
Pero este otro circuito , lo apunto en la agenda.
 
Hola jose circuit, te puede llegar a dar 60W, pero yo lo seteo en 40W, por las dudas algún pianissimo lo haga distorsionar. Armé uno para un amigo concertista de guitarra (léase: oído fino)y está más que conforme. Por supuesto, hice dos etapas, si bien el equipo es mono, cada etapa alimenta su propio parlante:
DSC08154.JPG


DSC08155.JPG


El conjunto está armado en un banquito, donde se sienta a tocar la guitarra, desparramando los baflecitos a los costados, algo parecido a lo que había en su tiempo hecho Holimar con la guitarrista Irma Constanzo. Pueden ver que es totalmente DIY, el chassis está hecho con chapa de zinc, y la carpintería también es casera, pero quedó muy simpático, aparte de práctico y funcionar bien. ¿porqué lo hicimos? Porque este amigo toca con la orquesta de Pablo Agri, y se queda muy atrás con la viola, tiene que tocar fuerte y no puede lograr expresión en el instrumento, con este sistema se solucionó el problema.
Saludos C
 
Habiendo recibido los operacionales LM741.
He conectado la placa de experimentación , que aunque rustica , no por ello menos efectiva.
La primera impresión es que tiende a oscilar como bien apuntó Dosmetros , luego le puse en la entrada una señal de 300mV y 1Khz más o menos y la señal pasa . Pero no da en la salida 50W ni mucho menos.
Lo peor es que los transistores finales se calientan en exceso.
3538ieg.jpg

1zqdpog.jpg
 


1zqdpog.jpg

Con esa forma de cablear el armado tienes altísimas posibilidades de que oscile.

¿ Ajustate la corriente de reposo ?

Agrega un disipador a los transistores de salida antes de continuar probando.
 

Con esa forma de cablear el armado tienes altísimas posibilidades de que oscile.

¿ Ajustate la corriente de reposo ?

Agrega un disipador a los transistores de salida antes de continuar probando.

Cierto , cableando así es posible cualquier cosa... En ocasiones no oscila .
La corriente de reposo tiene para regular una resistencia de 1K creo que es poco mejor de 5K.
No pude hacer medidas ya que lo tube encendido poco. Se quemo el TIP2955.
Calientan en exceso , abrasan , no se si con disipador y todo.
Bueno , es cuestión de probar.
 
Me encantó :D !

1zqdpog.jpg


Me hiciste acordar al amigo Moises :rolleyes:

A los transistores de salida ponele disipadores aunque sea las chapas de aluminio de las fuentes de PC para poder probarlo.

Al BD139 y BD140 poneles 47pF entre base y colector. O mejor comenzá con 100 pF.

Al preset de 1k ponelo que mida 0 Ohm , continuidad (y)

Entre la salida y parlante una bobina de 15 espiras apretadas de alambre esmaltado de 1mm sobre resistencia de 10 Ohms 10 Watts. La resistencia es solo para sostener la bobina ;)

En paralelo con el parlante una resistencia de 100 Ohms 1 W en serie con 100 nF

Y vamos viendo decía el tuerto :cool:
 
Última edición:
nasaserna dijo:
Nunca había pensado hacer un prototipo así, siempre usaba un protoboard, o un universal.
obvio que los transistores de potencia deben calentar bárbaro sin discipadores, pero se abona el trabajo de colocar los cables como en el esquema, una manera muy didáctica para clases, bien así es que se aprende de manera autodidacta, ten en cuenta la puesta a punto Como el maestro Fogonazo dice, y te auguro unos muy buenos proyectos en el futuro.
Una pregunta que transistores usaste para reemplazar los 2n3055 y su complemento?

La paca protoboard va muy bien para pequeños circuitos. Se ensamblan los componentes rápida y limpiamente.
Pero , para circuitos un poco más complejos , existe el problema del cableado . Vamos , que parecen más que un circuito un plato de espaguetis , pudiendo en este caso haber problemas de capacitancias , oscilaciones y confusiones .
En la placa rustica el tema de el cableado es menos malo , sí , puede haber centenares de clavitos , pero es menos malo.
La ventaja es que los componentes estan fuertemente sujetos y trabajas directamente sobre el esquema , siendo mas dificil que te confundas y en ese caso , enseguida das con el herror. Tambien puedes hacer todo tipo de medidas facilmente.
Los transistores finales son TIP2955 y TIP3055 complementarios y exactamente iguales a los 2N3055 y 2N2955 . Siendo los primeros más practicos en diseño para placas.
La puesta a punto de Fogonazo... Eso es la precisión hecha realidad.




Kowaky dijo:
Interesante circuito a la Old School:unsure:, pero hay que realizarlo con cable semi-blindado(y), una vez vi un circuito así, me anime a realizarlo con alambre de Trafo esmaltado AWG 22 y pues no quedo nada mal, pero lo cambie a cableado semi-blindado y su respuesta fue mucho mejor.

Una placa de experimentación es eso solamente , es para ver si funciona bien o no .
Voy haciendo multitud de circuitos y va bastante bien , mayormente no da problemas . Funciona bastante bien . Utilizo cable telefónico y va bien .

nasaserna dijo:
Nunca había pensado hacer un prototipo así, siempre usaba un protoboard, o un universal.
obvio que los transistores de potencia deben calentar bárbaro sin discipadores, pero se abona el trabajo de colocar los cables como en el esquema, una manera muy didáctica para clases, bien así es que se aprende de manera autodidacta, ten en cuenta la puesta a punto Como el maestro Fogonazo dice, y te auguro unos muy buenos proyectos en el futuro.
Una pregunta que transistores usaste para reemplazar los 2n3055 y su complemento?

La paca protoboard va muy bien para pequeños circuitos. Se ensamblan los componentes rápida y limpiamente.
Pero , para circuitos un poco más complejos , existe el problema del cableado . Vamos , que parecen más que un circuito un plato de espaguetis , pudiendo en este caso haber problemas de capacitancias , oscilaciones y confusiones .
En la placa rustica el tema de el cableado es menos malo , sí , puede haber centenares de clavitos , pero es menos malo.
La ventaja es que los componentes estan fuertemente sujetos y trabajas directamente sobre el esquema , siendo mas dificil que te confundas y en ese caso , enseguida das con el herror. Tambien puedes hacer todo tipo de medidas facilmente.
Los transistores finales son TIP2955 y TIP3055 complementarios y exactamente iguales a los 2N3055 y 2N2955 . Siendo los primeros más practicos en diseño para placas.
La puesta a punto de Fogonazo... Eso es la precisión hecha realidad.




Kowaky dijo:
Interesante circuito a la Old School:unsure:, pero hay que realizarlo con cable semi-blindado(y), una vez vi un circuito así, me anime a realizarlo con alambre de Trafo esmaltado AWG 22 y pues no quedo nada mal, pero lo cambie a cableado semi-blindado y su respuesta fue mucho mejor.

Una placa de experimentación es eso solamente , es para ver si funciona bien o no .
Voy haciendo multitud de circuitos y va bastante bien , mayormente no da problemas . Funciona bastante bien . Utilizo cable telefónico y va bien .




SI


Me encantó :D !

http://i43.tinypic.com/1zqdpog.jpg

Me hiciste acordar al amigo Moises :rolleyes:

A los transistores de salida ponele disipadores aunque sea las chapas de aluminio de las fuentes de PC para poder probarlo.

Al BD139 y BD140 poneles 47pF entre base y colector. O mejor comenzá con 100 pF.

Al preset de 1k ponelo que mida 0 Ohm , continuidad (y)

Entre la salida y parlante una bobina de 15 espiras apretadas de alambre esmaltado de 1mm sobre resistencia de 10 Ohms 10 Watts. La resistencia es solo para sostener la bobina ;)

En paralelo con el parlante una resistencia de 100 Ohms 1 W en serie con 100 nF

Y vamos viendo decía el tuerto :cool:

¿Te encantó? . La verdad el circuito es gracioso .
Ultimamente estoy algo apuradillo en el tema tiempo , pero bueno , se hara lo que se pueda.
Lo primero me voy a aprovisionar de TIP2955 tenía solamete dos ahora solo el de la placa .
El tema de las oscilaciones BLOP BLOP de tono grave no me preocupa , puede ser el cableado y en caso de que no fuera , con algún que otro condensador se puede erradicar.
El problema que veo es que la corriente de reposo , no reposa .
Al hacer la prueba , la resistencia ajustable estaba a mitad de recorrido 500 ohm , luego ajuste a 1k ... Pero a cero no .
Voy a hacer los cambios que sugieres y vamos a ver la Ola marina las vuelta que da .
 
Última edición:
Yo armo éste:
http://4.bp.blogspot.com/-0pFGWJzmySg/UNc5ZFYg3zI/AAAAAAAAA08/MbK1QBrqXUw/s1600/pa50cirsch.GIF
y funciona muy bien. Si bien es similar en arquitectura, tiene un par de transistores más, haciendo trabajar el operacional más liviano.
Saludos C

Hola Crimson, como esta usted?. Bueno le escribo para saber si tiene los pcb de este amplificador que armó, si es posible con los ecualizadores y el seteo de 40w que no entendi muy bien. Es que deseo armar este amplificador. Me considero de audio fino jaja. Un saludo.
 
Atrás
Arriba